info@efmpnomatik.com.tr
+90 282 650 60 70
Muhittin Mah. Adnan Kahveci Cad. No:35A Çorlu/Tekirdağ
TR
English
TR
English
Ürünler
IMI Norgren
IMI Bahr
Hafner
Memolub
Hankison
KTR
Reckon
item
Sektörler
Hakkımızda
İletişim
Hakkımızda
Mükemmellik, Tecrübe & Mühendislik
İletişim
Email
info@efmpnomatik.com.tr
Telefon
+90 282 650 60 70
Adres
Muhittin Mah. Adnan Kahveci Cad. No:35A Çorlu/Tekirdağ
Sosyal Medya
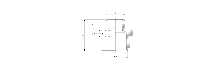
252M-1/4-1/2
Ürünler
Hafner
Yüksek sıcaklık
Bağlantı elemanları
Aparatlar
Çift redüksiyon nipelleri, 1 x dış diş (küçük), 1 x iç diş (büyük)
252M-1/4-1/2
252M-1/4-1/2
Çift redüksiyon nipeli - 1 x dış diş - 1 x iç diş