Mükemmellik, Tecrübe & Mühendislik
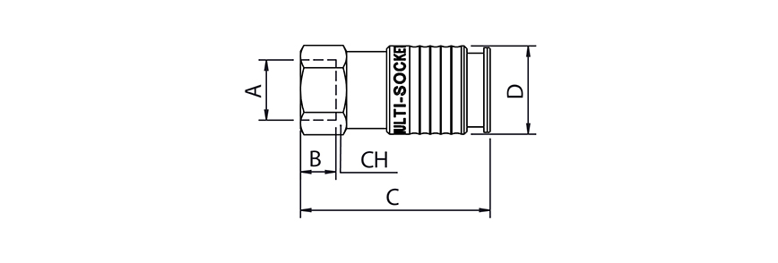
Hızlı bağlantı soketi - iç diş - DN 7,5 mm - Avrupa profili - INOX