Mükemmellik, Tecrübe & Mühendislik
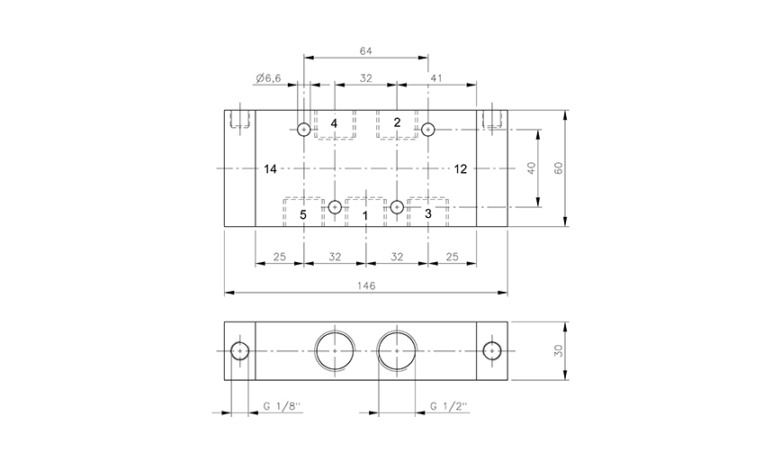
paslanmaz çelik 5/3-yollu pilot kumandalı valf - G 1/2" - orta konuma yay geri dönüşlü - Merkezi tahliyeli - INOX