info@efmpnomatik.com.tr
+90 282 650 60 70
Muhittin Mah. Adnan Kahveci Cad. No:35A Çorlu/Tekirdağ
TR
English
TR
English
Ürünler
IMI Norgren
IMI Bahr
Hafner
Memolub
Hankison
KTR
Reckon
item
Sektörler
Hakkımızda
İletişim
Hakkımızda
Mükemmellik, Tecrübe & Mühendislik
İletişim
Email
info@efmpnomatik.com.tr
Telefon
+90 282 650 60 70
Adres
Muhittin Mah. Adnan Kahveci Cad. No:35A Çorlu/Tekirdağ
Sosyal Medya
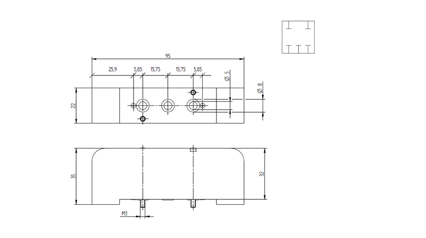
VTB 22 BP
Ürünler
Hafner
Valfler
EtherCAT, PROFINET veya Sub-D'li valf terminalleri
22 mm valfler için (650 l/dk)
Kapama plakası
VTB 22 BP
VTB 22 BP
kapatma plakası için modül TB 16 5 403 04