Mükemmellik, Tecrübe & Mühendislik
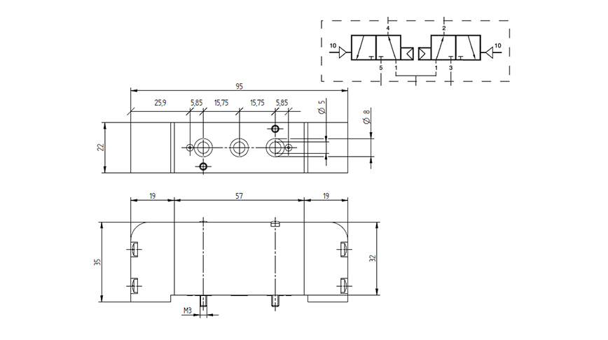
Çift 3/2 yollu solenoid valf - NO & NO - G 1/8" - monostabil - hava yay geri dönüşlü - manuel kumandalı - valf terminalleri için - kapaktaki 2 ve 4 portları