Mükemmellik, Tecrübe & Mühendislik
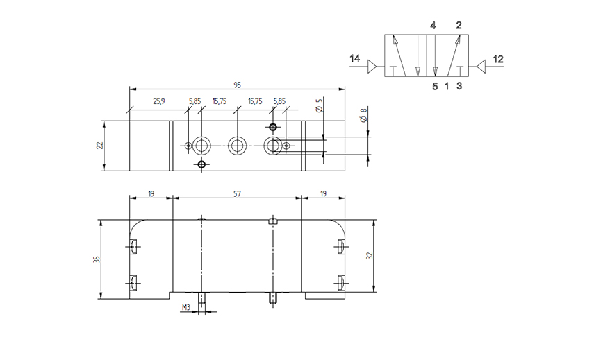
5/2 yollu solenoid valf - G 1/8" - bistabil - manuel kumandalı - valf terminalleri için - kapaktaki 2 ve 4 portları