Mükemmellik, Tecrübe & Mühendislik
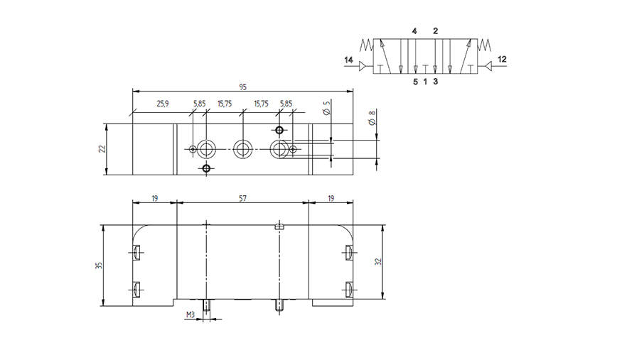
5/3 yollu solenoid valf - G 1/8" - orta konuma yay geri dönüşlü - Merkezi tahliyeli - manuel kumandalı - valf terminalleri için - kapaktaki 2 ve 4 portları